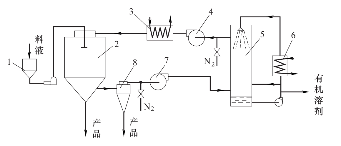
閉路循環噴霧干燥機系統,是基于干燥介質為惰性氣體(如N2氣等)的再循環和再利用。當然,特殊情況下也可以用空氣,如空氣-四氯化碳系統。干燥系統部件間的連接處,要保證氣密性密封,干燥室在低壓(約200mmH2O左右,即0.196kPa)下操作。其流程如圖所示。
在下述情況下,選擇閉路循環流程。
① 原料液由固體和有機溶劑組成;
② 要求有機溶劑全部回收;
③ 干燥有毒的固體粉粒狀產品;
④ 不允許氣味、溶劑蒸氣和顆粒狀物質的逸出,防止對環境大氣造成污染;
⑤ 粉塵在空氣中,可能形成爆炸混合物;
⑥ 必須防止有機溶劑的爆炸和燃燒的危險;
⑦ 在干燥過程中,由于氧化作用,粉塵不允許和氧接觸。
在流程中,需設置一個洗滌-冷凝器,其目的之一是冷凝從物料中出來的進入惰性氣體中的有機蒸氣。洗滌液就是固體中的有機溶劑;之二是洗滌氣體中的粉塵,防止堵塞加熱器。
